I blame the neighbour he said "how about building a Tesla coil" l have to admit I had thought about it in the past but the gauntlet was thrown.
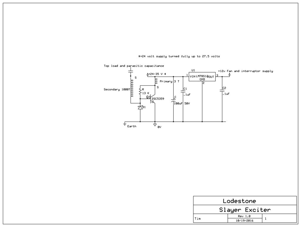
This is the simplest method I could find being a single transistor oscillator which is basically a tank oscillator but with the tuned or resonant circuit attached to the base of the transistor. The other thing is that the secondary is only attached physically at one end the other end (top load end) is connected via capacitive coupling which is essentially what this divice demonstrates so well.
Tuning is a real issue with Tesla coils (usually ) but this desighn only has a tuned secondary which dictates what frequency the oscillator works at. This makes the thing self tuning.
Having said that it is a simple circuit it is very capable and if you are not careful you can easily get a nasty burn.
This device can also damage electronic devices if you have a pacemaker or any other medical equipment don't use this thing.
I can not accept responsibility for any stupid action you decide to take with this so please for your sake exercise some common sense. You will also be producing some Radio freqency interference in the medium wave yes I know what's that.
This is more powerful than most Slayer circuits you will see by virtue of the transistor I have used. Don't get me wrong a 2N3055 is a wonderful old device which I have used for more than 40 years but it is a bit out of its depth here. The real star here is the transistor I spent some time looking at specifications before choosing this one. Yes it is a grunt at 180 watts but the important point is it has allot of gain at the freqency we are using according to the spec there are two grades I have only seen the O grade on sale which has a minimum dc gain of 80 and a FT of 30 MHz so it should work well at 1Mhz.
Base unit / Primary coil, place the coil supports into the Base in order 1,2,3,4 or 4,3,2,1 this will dictate if you wind clockwise or anti. It is important how the coils are connected my circuit diagram shows an S to indicate the start if both coils are wound the same way. You may need to sand the ends of the supports first. If you get stuck heat the offending part with boiling water then snug them down.
The coil wire can be straightened by holding one end in a vice and applying some stretching force take care don't end up on your back .Pre-form the 3 turn coil around a 100mm former a bit of old drain pipe will do. Place the coil in the former slots and glue with Araldite.
The secondary (tuned circuit ) was wound by hand tape the wire 25mm up from the end and wind up to 25mm before the end this will give near to 1000 turns. My tip here is to glue the coil with super glue at regular points and take breaks to avoid a horrible mess.
The top load holder has some supports to help with the printing snap them off and clean the part up with sandpaper. place the copper strip over the component as the picture and fit the 4mm screw ensure the holder fits snug on the end and solder the wire to it. Clean the enameled wire with sandpaper before soldering.
The top load (capacitive load), I filled the two halves with plasticine (putty or something similar) to give the top load weight. Glue the halves with super glue and give the doughnut a good sand to make it smooth. Clean and Apply strips (20mm ish) of Aluminium ducting tape to cover the whole item. I smooth all the wrinkles out with my thumb nail to make a very passable finish.
The exciter circuit, I have used a CPU cooling fan and heat sink I drilled 3 X 2.5mm and tapped them with a 3mm tap. This made life simple as I could screw the terminal block, transistor and regulator directly to the heat sink. Drilling all the way through and putting a nut on the other side is an option as too is using a large heat sink and no fan. DON'T skimp on the heat sink as half the power you put in will end up here as heat. The transistor requires an isolation pad but not the regulator as the tab needs to connect to 0v. I have made two ground connections to the heat sink. If you are looking for a ready supply of parts a tip here is look to that old PC you are storing the PSU alone will have useful hardware like heat sinks and fans also isolation kit.
Earthing is required I have been lazy and used the mains earth connecting it to the -Ve or 0V side of the PSU radiator or water pipe connection or even an earth rod should be considered.
Psu's, I had used my bench supply when I was experimenting but this cheap 24v 5A unit is so cheap and so readily available it was perfect I have turned it up to 27.5 which is the max I can get.
If you cannot get the exciter to oscillate the most likely cause will be the orientation of the coils we need to archive a 180 degree phase shift for oscillation to occurs. I would suggest reversing the connections on the primary if you have eliminated other mistakes.
Power mad ! although I'm pleased with the results I'm sure the I will be using the coil components to make a more powerful version I have allowed for more coils on the base unit as you can see.
You may have allot of fun exceeding the performance of what I have suggested yourself but I offer this as a good starting point.